网站首页
走进中讯
荣誉资质
产品中心
应用领域
实验室
研究院
人才招聘
联系我们
全部类别
开关
漏电保护器
器具输入插座
设备用断路器
耦合器
保险丝座
线路板
中文
/
English
产品中心
开关
漏电保护器
器具输入插座
设备用断路器
耦合器
保险丝座
线路板
开关
跷板开关
按钮开关
微动开关
拨动开关
琴键开关
旋转开关
首页
>
产品中心
>
跷板开关
KCD-C2
产品介绍
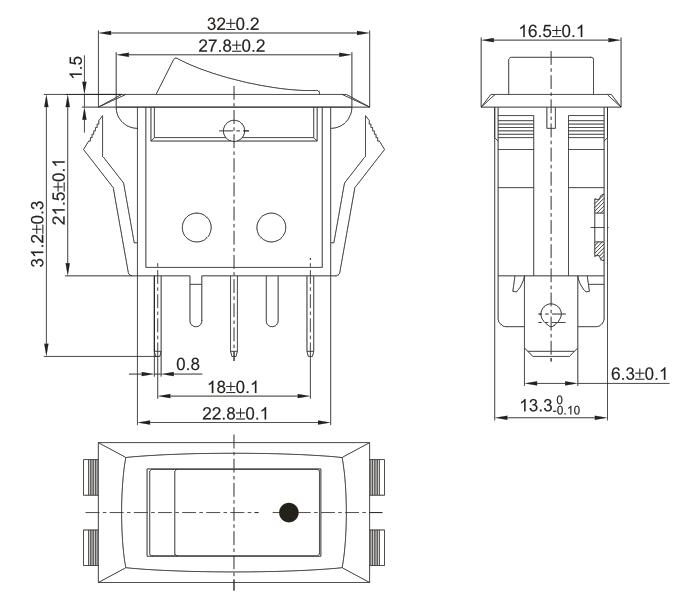
外形尺寸
造型
参数